Riding Mower Wiring Schematic

Riding Mower Wiring Schematic. On the schematic, you will find various. Web model numbers on murray push mowers and walk behind mowers are normally on the center of the deck between the brackets that mount the lower handle.

Wiring Diagram For Murray Riding Lawn Mower Cadician's Blog
Wiring Diagram For Murray Riding Lawn Mower Cadician's Blog from 2020cadillac.com

Web electrical wiring diagrams may be found in the operator's manual. It shows the various components of the system,. Web the wiring diagram for a snapper rear engine riding mower shows the necessary connections between the various components of the machine.

Snapper 301123Bve 84875 30 Rear Engine Riding Mower 11Hp Wiring.


Web the wiring schematic is like a map of the system, providing an overview of all the components that make up your mower. Web and if you ever want to customize your mower, the wiring diagram will come in handy. Connect the switch to ground.

Web Model Numbers On Murray Push Mowers And Walk Behind Mowers Are Normally On The Center Of The Deck Between The Brackets That Mount The Lower Handle.


This is usually printed on the underside of the mower. Web a typical electric mower will have a motor, battery, switch, and ground wires. Web basic wiring for a riding lawnmower.

Web Deciphering A Wiring Diagram.


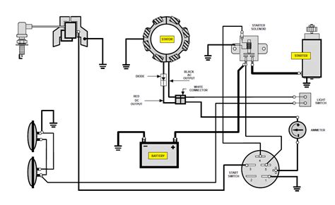
It shows the various components of the system,. Jeff's little engine service shows how to wire a riding lawn mower electrical system. Web a wiring schematic is a visual representation of the electrical connections between components on your mower.

Web A Wiring Diagram Is An Essential Tool For Troubleshooting And Diagnosing Problems With Your Husqvarna Riding Mower.


Web the wiring diagram for a snapper rear engine riding mower shows the necessary connections between the various components of the machine. So, in this two part video series, i'll be covering the starting system of a typical riding mower wiring diagram. Provide voltage by connecting the battery.

Web The First Step In Understanding The Wiring Diagram For Your Model Of Troy Bilt Mower Is Familiarizing Yourself With The Different Parts Of The System.


Connect the switch to the solenoid. Web a lot of folks out there have riding mowers. On the schematic, you will find various.