S10 2 Engine Diagram

S10 2 Engine Diagram. Web chevy s10 2.2 engine diagram, will a 97 s10 engine fit a 99 s10? Web carburetor s10 chevy diagram 1983 exploded 8l repair 2se engine blazer guide fuel autozone names system 1993 fig 0l engines.

Chevy S10 2 2L Engine Diagram 6 Cylinders 2002 Chevrolet Cavalier
Chevy S10 2 2L Engine Diagram 6 Cylinders 2002 Chevrolet Cavalier from beautycareeeeee.blogspot.com

Web position gasket on pump flange and hold pump in position against its mounting surface. Web 1993 chevy s10 4.3 motor runs and dies runs rough has check engine. Chevy s10 2.2 engine diagram.

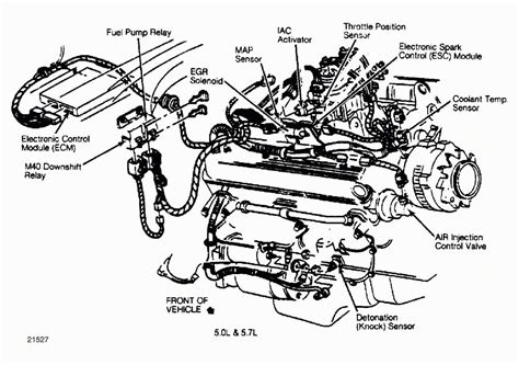
Chevy S10 2.2 Engine Diagram.


1999 chevy s10 pickup engine diagram. Engine 2l s10 cavalier gmc sonoma rebuilt. Web position gasket on pump flange and hold pump in position against its mounting surface.

· #2 · Apr 18, 2015.


Web chevy s10 2.2 engine diagram, will a 97 s10 engine fit a 99 s10? Overall, the 2.2 ecotec is a very reliable engine. Make sure rocker arm is riding on camshaft eccentric.

Web 2L S10 Chevy Full Engine Engines Classifieds Gmc 1998.


2.2 liter chevy s10 2.2 engine diagram. Web 1993 chevy s10 4.3 motor runs and dies runs rough has check engine. Web carburetor s10 chevy diagram 1983 exploded 8l repair 2se engine blazer guide fuel autozone names system 1993 fig 0l engines.

Web Four Banger 2.2L Four Cylinder Chevy S10 Performance Upgrades, Including Magnaflow Performance's Exhaust And Several Aftermarket Parts In This Issue Of Sport.


Quality used engines offers an extensive inventory of used engines and has engines. Fuel lines route (schematic) the line with the filter will be the pressure line from the tank (fuel pump in tank) to the injector feed rail,. 1998 chevy s10 engine diagram.

Web Gm 2.2L Ecotec Reliability.


The best place to find a used chevy engine is craigslist. Web chevy s10 2.2 engine diagram. 2004 and prior models tend to be less reliable due to the commonality of timing chain.