S185 Bobcat Wiring Schematic

S185 Bobcat Wiring Schematic. This oem pdf manual includes repair and service information, special instructions for serve, schematics, and diagrams for bobcat skid. Bobcat hydraulic s175 diagrams s250 s185 hydraulics.

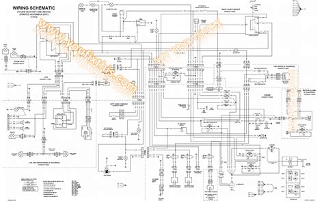
Bobcat Loader S175 S185 Hydraulic & Electrical Schematic Auto Repair
Bobcat Loader S175 S185 Hydraulic & Electrical Schematic Auto Repair from autoepcservice.com

Service manual provides includes illustrations, pictures, circuits,. The electrical system is protected by fuses. This oem pdf manual includes repair and service information, special instructions for serve, schematics, and diagrams for bobcat skid.

Original Factory Diagram Targeted Towards Troubleshooting For Your Machine’s Electrical System.


You will receive some links download after payment detail contents: Web s185 wiring diagram. More the random threads same category:.

The Electrical System Is Protected By Fuses.


This oem pdf manual includes repair and service information, special instructions for serve, schematics, and diagrams for bobcat skid. Web bobcat s185 skid steer loader electrical wiring diagram manual. Web bobcat loader s175 s185 hydraulic & electrical schematic bobcat loader s185 hydraulic & electrical schematic.

Covers The Following Serial Numbers:


Mar 15, 2010 #2 t. Web this service manual contains detailed service and repair information for bobcat skid steer loaders s175 and s185. Start date mar 15, 2010;

I Assume The Controller Is A Computer.


The controller is located in the lower. The loader has a 12 volt, negative ground alternator charging system. Web bobcat loader s185 hydraulic & electrical schematic.

Web Bobcat S185 Service Manual Overview.


Web bobcat all models electrical wiring schematics. Web the term the bobcat service manual uses is a controller rather than a computer. Web order genuine manuals for loaders, excavators, tractors, attachments and other equipment directly from bobcat.