Rs232 Schematic Diagram

Rs232 Schematic Diagram. Web here’s how it works. First, an optocoupler sends light pulses from the rs232 line to the other side of the transformer.

resistors Monitoring serial communication and problems with my RS232
resistors Monitoring serial communication and problems with my RS232 from electronics.stackexchange.com

Web the primary benefit of using rs232 to rs485 cable schematic is that it allows for longer data transmission distances. With traditional wiring methods, data. Carries data from the data terminal to the data set.

It Can Be Used To Solve Complex Problems.


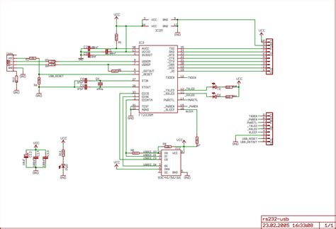
Web the application note goes on to explain a few caveats with the circuit and that it is not completely within the rs232 specifications. Web usb to rs232 uart serial converter pcb datasheet version 1.41 clearance no.: Web this schematic provides the blueprint for building an rs232 serial to usb converter cable.

With Traditional Wiring Methods, Data.


Web the primary benefit of using rs232 to rs485 cable schematic is that it allows for longer data transmission distances. Web the rs232 to rs485 cable schematic diagram is a valuable resource for anyone who works with industrial electronics. Carries data from the data terminal to the data set.

Web The Interface Is Two Types Db9 And Db25 Pin Connectors.


The interface is mainly used for one to one serial communication for example computer to dial up modem connection. Web this is where creating an effective and efficient usb to db9 serial rs232 converter circuit schematic can make all the difference. Then, the voltage translator converts the signals.

Web Overall, Rs232 To Usb Schematics Have Become An Essential Part Of Our Modern Technological Landscape, Helping To Bridge The Gap Between Old And New.


The circuit contains three components: The author is a student at the electronics department, technological educational institute of piraeus,. Web here’s how it works.

The Data Transformer, A Line.


Web 8 channel d/i card for rs232 schematic circuit diagram. Web rs232 connector is a port used for data exchange between equipment designed for data exchange between dte or pc and dce or modem. First, an optocoupler sends light pulses from the rs232 line to the other side of the transformer.